人工智能领域

产品分类

兰MILAN(中国)

米兰网页版

选型热线:

13001738973(王工)

15866635707(王工)

0531-88601217

网址:www.aggsworld.com 

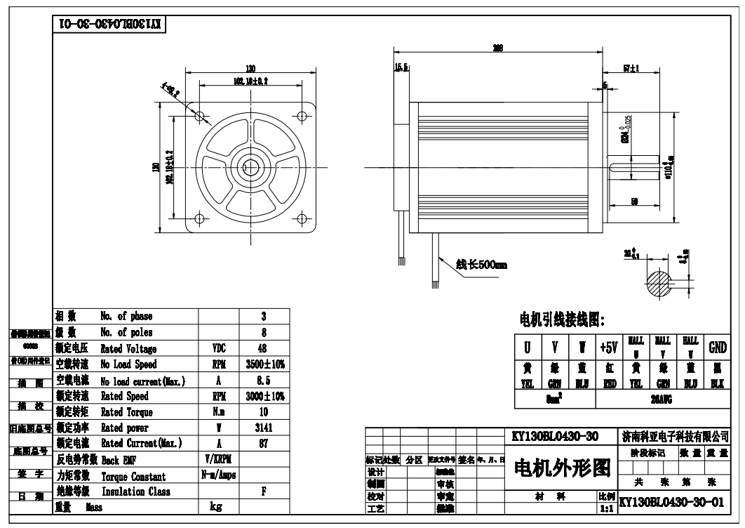
河南直流无刷电机130系列 48V 3141W 3500RPM

您的当前位置: 首 页 >> 产品中心 >> 河南直流无刷电机

河南直流无刷电机130系列 48V 3141W 3500RPM

  • 所属分类:河南直流无刷电机

  • 点击次数:
  • 发布日期:2023/01/05
  • 在线询价
详细介绍

130.jpg

KY130BL0430-30.png

电机型号及参数:

●电机型号:KY130BL0430-30

●额定电压:48V

●额定功率:3141W

●额定转速:3500PM

●额定转矩:10N.m

●额定电流:87A


本文网址:/product/707.html

关键词:直流无刷电机,无刷电机

最近浏览: