人工智能领域

产品分类

兰MILAN(中国)

米兰网页版

选型热线:

13001738973(王工)

15866635707(王工)

0531-88601217

网址:www.aggsworld.com 

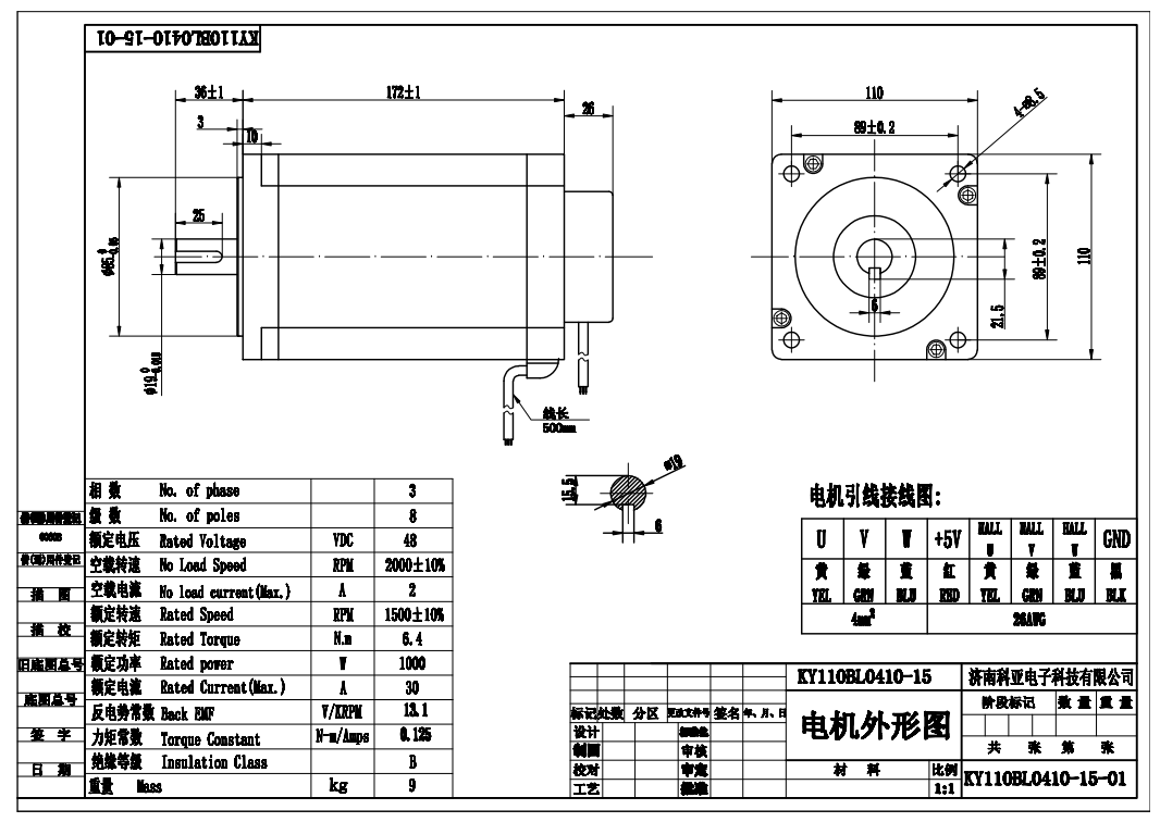
河南直流无刷电机110系列 48V 1000W 1500RPM

您的当前位置: 首 页 >> 产品中心 >> 河南直流无刷电机

河南直流无刷电机110系列 48V 1000W 1500RPM

  • 所属分类:河南直流无刷电机

  • 点击次数:
  • 发布日期:2023/01/05
  • 在线询价
详细介绍

110.jpg

KY110BL0410-15.png

电机型号及参数:

●电机型号:KY110BL0410-15

●额定电压:48V

●额定功率:1000W

●额定转速:1500RPM

●额定转矩:6.4N.m

●额定电流:30A

●重量:9kg


本文网址:/product/699.html

关键词:

最近浏览: