产品特性:
¨ 满足一级能效
¨ 响应速度快,热传导效率高,散热快,温升速度慢
¨ 多槽极设计,齿槽脉动转矩小,电机运行平稳、安全可靠
¨ 定子采用H级漆包线,耐高温,过载能力强
¨ 转子采用自有的国家zhuanli技术(ZL201620037092.7)稳定性强
¨ 支持定制服务
产品参数:
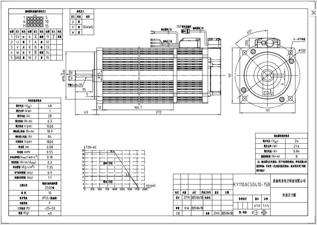
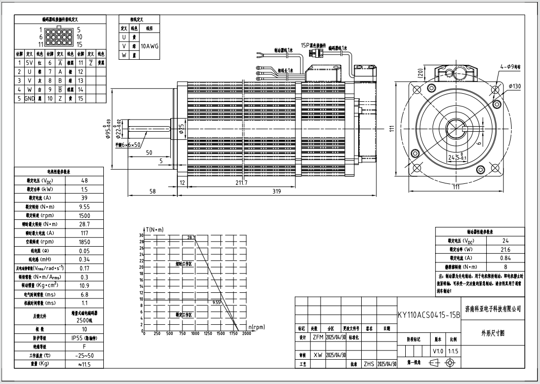
产品型号 | KY110ACS0405-15 | KY110ACS0408-15 | KY110ACS0410-15 | KY110ACS0415-15 | |
KY110ACS0405-15B | KY110ACS0408-15B | KY110ACS0410-15B | KY110ACS0415-15B | ||
参数 | |||||
额定电压 | 48V | 48V | 48V | 48V | |
额定功率 | 500W | 800W | 1000W | 1500W | |
额定电流 | 13A | 22A | 28A | 39A | |
额定转速 | 1500RPM | 1500RPM | 1500RPM | 1500RPM | |
额定转矩 | 3.2N.m | 5N.m | 6.3N.m | 9.55N.m | |
空载转速 | 1700RPM | 2000RPM | 1800RPM | 1850RPM | |
瞬时最大电流 | 39A | 66A | 84A | 117A | |
瞬时最大转矩 | 9.6N.m | 15N.m | 18.9N.m | 28.7N.m | |
极 数 | 10 | 10 | 10 | 10 | |
反馈信号 | (标配)增量式编码器 (选配)绝对值编码器 | ||||
无制动器 | 标配 | ||||
(选配)制动器 | 额定电压 | 24V | |||
功 率 | 21.6W | ||||
制动方式 | 失电制动 | ||||
静摩擦力 | 8N.m | ||||
环境温度 | -25-+50℃ | ||||
存储温度 | -35-+65℃ | ||||
防护等级 | IP55 | ||||
冷却方式 | 自然冷却 | ||||
重 量 | 5.4kg | 6.4kg | 7.5kg | 10kg | |
6.9kg | 7.9kg | 9kg | 11.5kg | ||



